Delivery of APP24 High Pressure Seawater Desalination Pump
By admin
0 Comments
Type: Vertical Centrifugal Pump
Stage: Single
Fluid: Fresh Water & Sea Water
Application: Ballast/ Cooling/ General Service/ Bilge
Q(@50Hz, 2900r/min): 10 ~ 100m³/h
Hmax(@50Hz, 2900r/min): 69.2 m
Q(@60Hz,3500r/min): 5 ~ 100 m³/h
Hmax(@60Hz,3500r/min): 82.9 m
Certificate: CCS/BV/ABS/RINA
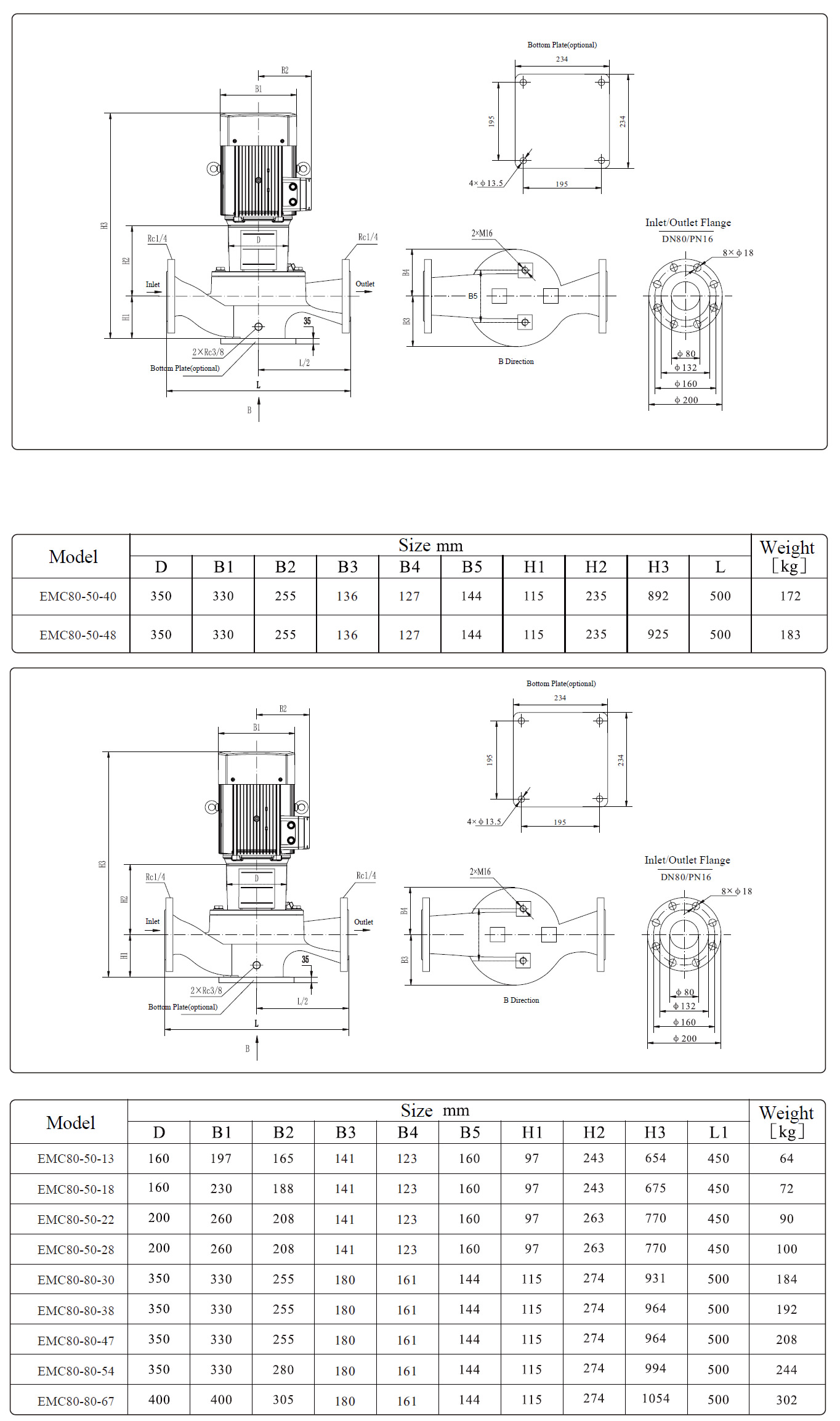
EMC80 marine pump is a marine vertical centrifugal pump with inlet and outlet flange are DN80. with flow rate Q: 10~100m³/h @ 50Hz, 2900r/min and Q: 5~100m³/h @ 60Hz, 3500r/min. It can transfer fresh water and sea water, widely used for ballast, cooling, general service and bilge.
EMC80-50-48
| Part No. | Name | Material |
| 1 | Casing | HT200/QT450/ZCuZn16Si4 |
| 2 | Impeller | ZCuZn16Si4/ZCuSn5Pb5Zn5 |
| 3 | Casing Cover | HT200/QT450/ZCuZn16Si4 |
| 4 | Mechanical Seal | TC-CA/ TC-TC |
| 5 | Coupling Guard | 1Cr18Ni9 |
| 6 | Pump Shaft | 1Cr18Ni9 |
| 7 | Air release bolt | 1Cr18Ni9/ZCuZn16Si4 |
| 8 | Seal O Ring | EPDM |
| 9 | Plug | 1Cr18Ni9/ZCuZn16Si4 |
| 10 | Coupling | QT450 |
| 11 | Seal Cover | 1Cr18Ni9 |
@ 50Hz, 2900r/min
| Model | Motor | Q | 10 | 20 | 30 | 40 | 50 | 60 | 65 |
| (Kw) | (m³/h) | ||||||||
| EMC80-50-40 | 11 | H (m) | 42.8 | 42.8 | 42.7 | 41.8 | 40 | 36.5 | |
| EMC80-50-48 | 15 | 50.4 | 50.4 | 50.2 | 49.5 | 48 | 45 | 42.6 |
| Model | Motor | Q | 10 | 20 | 30 | 40 | 50 | 60 | 70 | 80 | 90 | 100 |
| (Kw) | (m³/h) | |||||||||||
| EMC80-50-13 | 3 | H (m) | 16.1 | 15.8 | 15.2 | 14.3 | 13 | 10.9 | ||||
| EMC80-50-18 | 4 | 21.1 | 20.8 | 20.2 | 19.2 | 18 | 16.2 | 13.2 | ||||
| EMC80-50-22 | 5.5 | 24.4 | 24.1 | 23.7 | 23 | 22 | 20.5 | 18 | 14.3 | |||
| EMC80-50-28 | 7.5 | 30.6 | 30.4 | 30 | 29.3 | 28 | 26.3 | 24 | 20.6 | |||
| EMC80-80-30 | 11 | 34.8 | 34.5 | 34.2 | 33.8 | 33.2 | 32.4 | 31.3 | 30 | 27.8 | 24.7 | |
| EMC80-80-38 | 15 | 41.2 | 41.2 | 41.1 | 40.9 | 40.6 | 40.1 | 39.3 | 38 | 36 | 32.9 | |
| EMC80-80-47 | 18.5 | 50.6 | 50.4 | 50 | 49.8 | 49.6 | 49.1 | 48.3 | 47 | 44.8 | 41.4 | |
| EMC80-80-54 | 22 | 57 | 57 | 56.8 | 56.6 | 56.3 | 56 | 55.3 | 54 | 52.2 | 49.2 | |
| EMC80-80-67 | 30 | 69.2 | 69 | 68.8 | 68.7 | 68.6 | 68.3 | 67.8 | 67 | 65.9 | 63.9 |
@ 60Hz, 3500r/min
| Model | Motor | Q | 5 | 10 | 20 | 30 | 40 | 50 | 60 | 70 | 80 | 90 | 100 |
| (Kw) | (m³/h) | ||||||||||||
| EMC80-50-12 | 3 | H (m) | 15.2 | 15.6 | 15 | 14.5 | 13.5 | 12 | 10.5 | ||||
| EMC80-50-17 | 4 | 18.5 | 19 | 18.6 | 18.1 | 17.5 | 17 | 15.8 | 13.5 | ||||
| EMC80-60-20 | 5.5 | 22.5 | 23 | 23.6 | 22.8 | 22 | 21.2 | 20 | 19 | 16 | |||
| EMC80-60-26 | 7.5 | 30.3 | 30.6 | 30.4 | 30 | 29 | 28 | 26 | 25 | 21 | |||
| EMC80-80-30 | 11 | 36.8 | 36.8 | 36.7 | 35.8 | 35.3 | 34.2 | 33.1 | 32.4 | 30 | 27.8 | 23.5 | |
| EMC80-80-38 | 15 | 42.9 | 43 | 43.1 | 43 | 42.6 | 42 | 40.5 | 39.5 | 38 | 36.2 | 32.3 | |
| EMC80-80-47 | 18.5 | 51.3 | 51.5 | 50.9 | 50.5 | 50.3 | 50.2 | 50 | 49.4 | 47 | 46.5 | 44.6 | |
| EMC80-80-52 | 22 | 54.7 | 55.5 | 55.2 | 55 | 54.8 | 54.5 | 54.3 | 53.4 | 52 | 50.5 | 50 | |
| EMC80-80-70 | 30 | 70.9 | 71.4 | 72 | 71.9 | 71.6 | 71 | 70 | 69.3 | 65 | |||
| EMC80-80-81 | 37 | 81.9 | 82.8 | 82.9 | 82.5 | 82.4 | 81 | 80 | 78 |
No.12 Huatang Road, Zhangjiagang City, Jiangsu, P.R. China.
