Delivery of APP24 High Pressure Seawater Desalination Pump
By admin
0 Comments
Type: Vertical Centrifugal Pump
Stage: Single
Fluid: Fresh Water & Sea Water
Application: Ballast/ Cooling/ General Service/ Bilge
Q(@50Hz, 2900r/min): 5 ~ 90m³/h
Hmax(@50Hz, 2900r/min): 85.4 m
Q(@60Hz,3500r/min): 10 ~ 80 m³/h
Hmax(@60Hz,3500r/min): 107.6 m
Certificate: CCS/BV/ABS/RINA
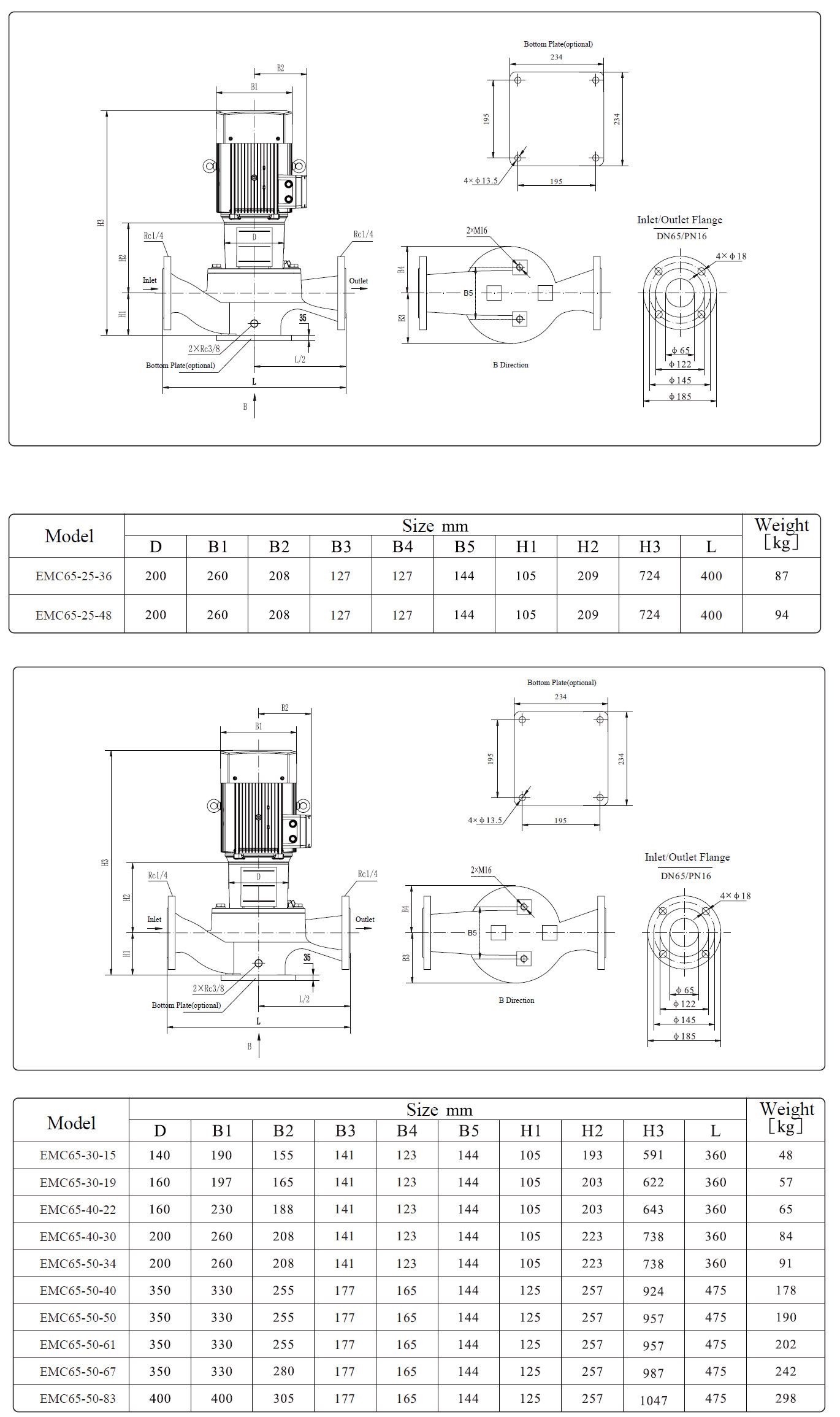
EMC65 marine pump is a marine vertical centrifugal pump with inlet and outlet flange are DN50. with flow rate Q: 5~90m³/h @ 50Hz, 2900r/min and Q: 10~80m³/h @ 60Hz, 3500r/min. It can transfer fresh water and sea water, widely used for ballast, cooling, general service and bilge.
EMC65-50-34
| Part No. | Name | Material |
| 1 | Casing | HT200/QT450/ZCuZn16Si4 |
| 2 | Impeller | ZCuZn16Si4/ZCuSn5Pb5Zn5 |
| 3 | Casing Cover | HT200/QT450/ZCuZn16Si4 |
| 4 | Mechanical Seal | TC-CA/ TC-TC |
| 5 | Coupling Guard | 1Cr18Ni9 |
| 6 | Pump Shaft | 1Cr18Ni9 |
| 7 | Air release bolt | 1Cr18Ni9/ZCuZn16Si4 |
| 8 | Seal O Ring | EPDM |
| 9 | Plug | 1Cr18Ni9/ZCuZn16Si4 |
| 10 | Coupling | QT450 |
| 11 | Seal Cover | 1Cr18Ni9 |
@ 50Hz, 2900r/min
| Model | Motor | Q | 5 | 10 | 15 | 20 | 25 | 30 | 35 |
| (Kw) | (m³/h) | ||||||||
| EMC65-25-36 | 5.5 | H (m) | 39.2 | 39.1 | 38.9 | 38.2 | 36 | 31.8 | 24.8 |
| EMC65-25-48 | 7.5 | 50.4 | 50.3 | 50 | 49.3 | 48 | 45.9 | 42.5 |
| Model | Motor | Q | 10 | 20 | 30 | 40 | 50 | 60 | 70 | 80 | 90 |
| (Kw) | (m³/h) | ||||||||||
| EMC65-30-15 | 2.2 | H (m) | 17.9 | 17 | 15 | 10.7 | |||||
| EMC65-30-19 | 3 | 21.7 | 20.8 | 19 | 15.2 | ||||||
| EMC65-40-22 | 4 | 25.1 | 24.7 | 23.9 | 22 | 17.5 | |||||
| EMC65-40-30 | 5.5 | 32.4 | 32.1 | 31.5 | 30 | 26.1 | |||||
| EMC65-50-34 | 7.5 | 38.6 | 38.2 | 37.6 | 36.4 | 34 | 29.6 | ||||
| EMC65-50-40 | 11 | 43.4 | 42.9 | 42.3 | 41.4 | 40 | 37.6 | ||||
| EMC65-50-50 | 15 | 53.6 | 53.3 | 52.7 | 51.6 | 50 | 47.3 | ||||
| EMC65-50-61 | 18.5 | 63.1 | 63.2 | 63 | 62.3 | 61 | 58.8 | 54.8 | |||
| EMC65-50-67 | 22 | 68 | 67.8 | 67.7 | 67.5 | 67 | 65.8 | 63.4 | 59.7 | ||
| EMC65-50-83 | 30 | 85.4 | 85.1 | 84.6 | 83.9 | 83 | 81.7 | 80 | 77.8 | 74.2 |
@ 60Hz, 3500r/min
| Model | Motor | Q | 10 | 20 | 30 | 35 | 40 | 50 | 60 | 70 | 80 |
| (Kw) | (m³/h) | ||||||||||
| EMC65-30-15 | 3 | H (m) | 22.2 | 22 | 20 | 18 | 14.3 | ||||
| EMC65-30-19 | 4 | 28 | 27 | 25 | 24 | 21 | |||||
| EMC65-40-22 | 5.5 | 35 | 33.5 | 32 | 31 | 29.5 | |||||
| EMC65-40-30 | 7.5 | 39.5 | 38.7 | 38.5 | 38 | 36 | 31.5 | ||||
| EMC65-50-34 | 11 | 48 | 47 | 46.5 | 46 | 45 | 44 | ||||
| EMC65-50-40 | 15 | 57.3 | 56.5 | 56.2 | 55 | 54 | 52 | ||||
| EMC65-50-50 | 18.5 | 64 | 63.8 | 62 | 61.8 | 60.5 | 60 | 56 | |||
| EMC65-50-61 | 22 | 78 | 77 | 76.5 | 76 | 75.5 | 73 | 73 | |||
| EMC65-50-67 | 30 | 87.8 | 88 | 90 | 90.5 | 89.5 | 88.5 | 85 | 83 | 79 | |
| EMC65-50-83 | 37 | 107.6 | 106 | 105 | 104 | 103 | 103 | 100 | 99.5 | 94 |
No.12 Huatang Road, Zhangjiagang City, Jiangsu, P.R. China.
