EMC125

Type: Vertical Centrifugal Pump
Stage: Single
Fluid: Fresh Water & Sea Water
Application: Ballast/ Cooling/ General Service/ Bilge
Q(@50Hz, 1450r/min): 40 ~ 200m³/h
Hmax(@50Hz, 1450r/min): 51.5 m
Q(@60Hz,1750r/min): 20 ~ 240 m³/h
Hmax(@60Hz,1750r/min): 47.7m
Certificate: CCS/BV/ABS/RINA

 

Description

EMC125 marine pump is a marine vertical centrifugal pump with inlet and outlet flange are DN125. with flow rate Q: 40~200m³/h @ 50Hz, 1450r/min and Q:20~240m³/h @ 60Hz, 1750r/min. It can transfer fresh water and sea water, widely used for ballast, cooling, general service and bilge.

1. Model Key

EMC125-160-32

  • EMC – Marine pump code
  • 125 – Pump inlet and outlet flange are DN125
  • 160 – Pump rated capacity is 160m³/h
  • 32 – Pump rated head is 32m

2. Construction and Material:

EMC125-150 Marine centrifugal pump structure
Part No. Name Material
1 Casing HT200/QT450/ZCuZn16Si4
2 Impeller ZCuZn16Si4/ZCuSn5Pb5Zn5
3 Casing Cover HT200/QT450/ZCuZn16Si4
4 Mechanical Seal TC-CA/ TC-TC
5 Coupling Guard 1Cr18Ni9
6 Pump Shaft 1Cr18Ni9
7 Air release bolt 1Cr18Ni9/ZCuZn16Si4
8 Seal O Ring EPDM
9 Plug 1Cr18Ni9/ZCuZn16Si4
10 Coupling QT450
11 Seal Cover 1Cr18Ni9

3. Technical Date:

@ 50Hz, 1450r/min

Model Motor Q 40 60 80 100 120 140 160 180 200
 (Kw) (m³/h)
EMC125-120-11 5.5 H            (m) 12.9 12.7 12.4 11.8 11 9.9 8    
EMC125-120-14 7.5 16.2 15.9 15.5 14.9 14 12.8 11.2    
EMC125-160-18 11 21.5 21.3 21 20.6 19.9 19.1 18 16.4 14.1
EMC125-160-22 15 26.7 26.5 26.2 25.7 24.9 23.7 22 19.8 16.7
EMC125-160-28 18.5 30.9 30.8 30.7 30.5 30.1 29.3 28 25.8 22.2
EMC125-160-32 22 34.6 34.6 34.5 34.4 34 33.3 32 30.2 27.3
EMC125-160-40 30 43.9 43.6 43.3 42.9 42.2 41.3 40 38 35.4
EMC125-160-48 37 51.5 51.3 51 50.5 49.9 49.1 48 46.4 44.2


@ 60Hz, 1750r/min

Model Motor Q 20 40 60 80 100 120 140 150 160 180 200 220 240
 (Kw) (m³/h)
EMC125-120-11 5.5 H            (m) 12.9 12.7 12.6 12.2 11.6 11 10 9          
EMC125-120-14 7.5 16.2 16.1 16 15.9 15.3 14 13.8   12.5        
EMC125-120-20 11 21.8 21.4 21.2 21 20.6 20 18   16.4 14.5      
EMC125-120-24 15 26.2 25.9 25.7 25.5 24.8 24 22.9   21.2 19.8      
EMC125-140-28 18.5 30.4 30.2 30.1 29.9 29.4 28.6 28   26.6 24.5 22.5    
EMC125-150-32 22 35.2 34.9 34.8 34.5 34.2 33.5 32.7 32 31.3 30.1 27.8    
EMC125-150-38 30 40.2 40.1 40 39.9 39.8 39.5 38.6 38 37.8 36.2 33.8    
EMC125-180-40 37 42.6 42.8 42.9 42.7 42.4 41.9 41.3   40.7 40 38.9 37.4 35.6
EMC125-180-46 45 47.2 47.4 47.6 47.7 47.6 47.5 47.2   46.7 46 45.1 44.1 42.8

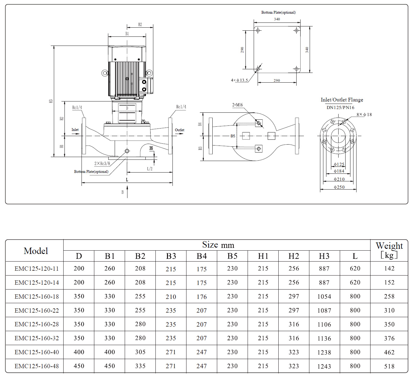
4. Dimensions and Weights:

@ 50Hz, 1450r/min
EMC125 Marine Centrifugal Pump Size