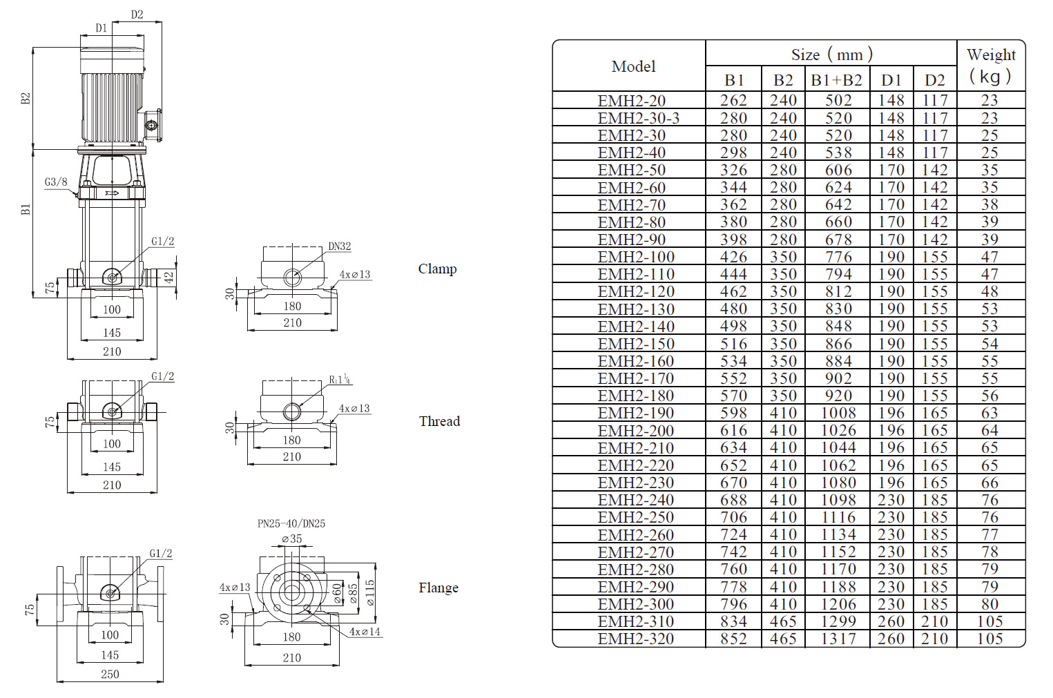
EMH2
Type: Vertical Multistage Centrifugal Pump
Stage: Multistage
Fluid: Fresh Water & Sea Water
Application: Boiler Feed Water/ Ballast/ Fire Fighting
Q(@50Hz, 2900r/min): 1.0 ~ 3.5 m³/h
Hmax(@50Hz, 2900r/min): 323 m
Q(@60Hz,3500r/min): 1.0 ~ 4.5 m³/h
Hmax(@60Hz,3500r/min): 228 m
Certificate: CCS/BV/ABS/RINA
